当前位置:
首页
>
政府信息公开
>
法定主动公开内容
>
公示公告
>
通知公告
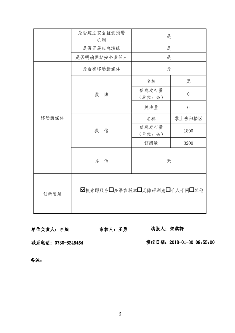
岳阳楼区政府门户网站工作2017年度报表
来源:岳阳楼区政府网站
2018-01-30 11:18
浏览量:
1
|
|
|
|